0
Ultra light release head
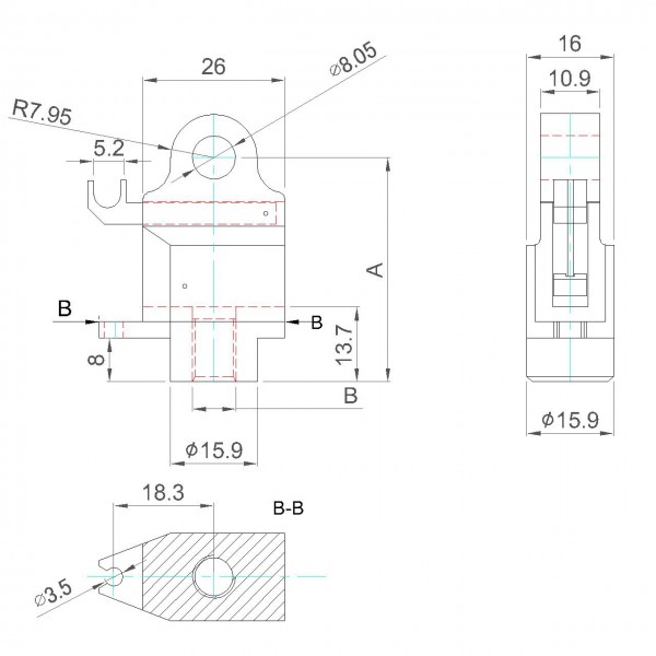
Product Details

  Unit:mm

Part No. Hole Center To End
(A)
Thread
(B)
Hole Dia. Material
STDE-ACC-BOL-074574 41 M8X1.0 Ø8 Alloy Die Casting
STDE-ACC-BOL-112485 41 M10X1.0 Ø8 Alloy Die Casting

 

1. PN: STDE-ACC-BOL-074574 Suit for : BOLOBT Gas spring series.
 

2. PN: STDE-ACC-BOL-112485 Suit for : BOL Gas spring series , BOL-T Gas spring series.

3. The joint can use a pressure bar with a maximum pressure of 1000N.
 

4. It can be used with various Push-buttons controllers to become a complete control mechanism, which is convenient for customers to design and use.

Similar products