0
BKT-B11(插梢8mm) (板厚3mm)
商品詳情

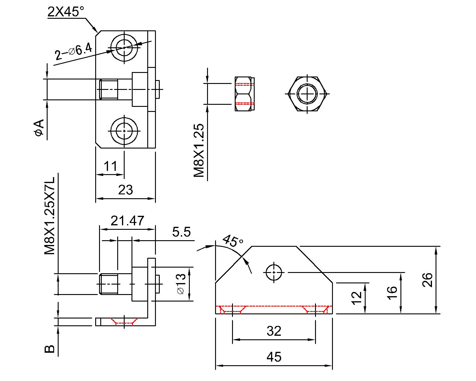
單位:mm

型號 球徑或插銷直徑
( ∅A )
板厚
( B )
球頭或插銷材質 板金材質 表面處理 產品淨重 (g)
BKT-B11 BLACK COATED 8 3 12L14  P-O 電著黑  
BKTS-B11 SUS304 SUS3103 SUS304 振動研磨  

琥盛企業已於本季完成氣壓棒(氮氣缸、氮氣彈簧)新配件之模具開發,産品料號為BKT-B11,主要提供給孔徑8mm/厚度5mm之氣壓棒(氮氣缸、氮氣彈簧)魚眼接頭使用歡迎琥盛經銷商及客戸洽詢

 
 
 

 

相關產品