0
中文
│
English
首頁
公司簡介
關於我們
公司影片
產品介紹
STABILUS自由型氮氣缸
自由型-碳鋼氮氣缸
06X15 碳鋼系列 (50N~400N)
08X18 碳鋼系列 (100N~700N)
10X22 碳鋼系列 (100N~1150N)
14X28 碳鋼系列 (300N~2500N)
20X40 碳鋼系列 (600N~5000N)
自由型-白鐵氮氣缸
06X15 白鐵系列 (50N~300N)
08X18 白鐵系列 (100N~650N)
10X22 白鐵系列 (100N~1000N)
14X28 白鐵系列 (300N~2500N)
自由型-動態阻尼氮氣缸
06X15 動態阻尼-DD1 (50N~300N)
08X19 動態阻尼-DD2 (100N~600N)
10X22 動態阻尼-DD3 (100N~850N)
自由型-安全套管氮氣缸
08X18 安全套管 (100N~650N)
10X22 安全套管 (100N~1150N)
自由型-白鐵安全套管氮氣缸
08X18 白鐵安全套管 (100N~650N)
10X22白鐵安全套管 (100N~1200N)
自由型-壓縮鎖定氮氣缸
08X22 壓縮鎖定 (100N~400N)
STABILUS定位型氮氣缸
定位型-氮氣缸
10X28 定位型 (150N~350N)
定位型-桌用氮氣缸-BOLT
10X28 定位型-BOLT氮氣缸 (200N~1200N)
定位型-氮氣缸-BOL-OBT
08X22定位型 (100N~400N)
定位型氮氣缸專用配件
STABILUS拉力型氮氣缸
06X19 拉力氮氣缸 (50N~350N)
10X28 拉力氮氣缸 (150N~1200N)
STABILUS油壓型阻尼棒
油壓阻尼棒-壓縮方向阻尼
06X15 壓縮阻尼-HD15C
08X18 壓縮阻尼-HD18C
10X24 壓縮阻尼-HD24C
油壓阻尼棒-拉伸方向阻尼
06X15 拉伸阻尼-HD15E
08X18 拉伸阻尼-HD18E
10X24 拉伸阻尼-HD24E
STABILUS辦公座椅氣壓棒
STABILUS傢俱用氮氣缸
STABILUS車輛用氮氣缸
STABILUSE工業電動撐桿
氮氣缸沖壓配件
氮氣缸用連接頭
氮氣缸專用螺栓
氮氣缸附屬零件
新品及專利發表
產品相關資訊
氮氣缸應用範圍
如何選用氮氣缸?
氮氣缸應力圖
氮氣缸壓力計算方式
氮氣缸安裝注意事事項
產品安裝實例
產品檢驗報告 / 技術資料
採購招標
新聞
首 頁
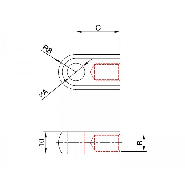
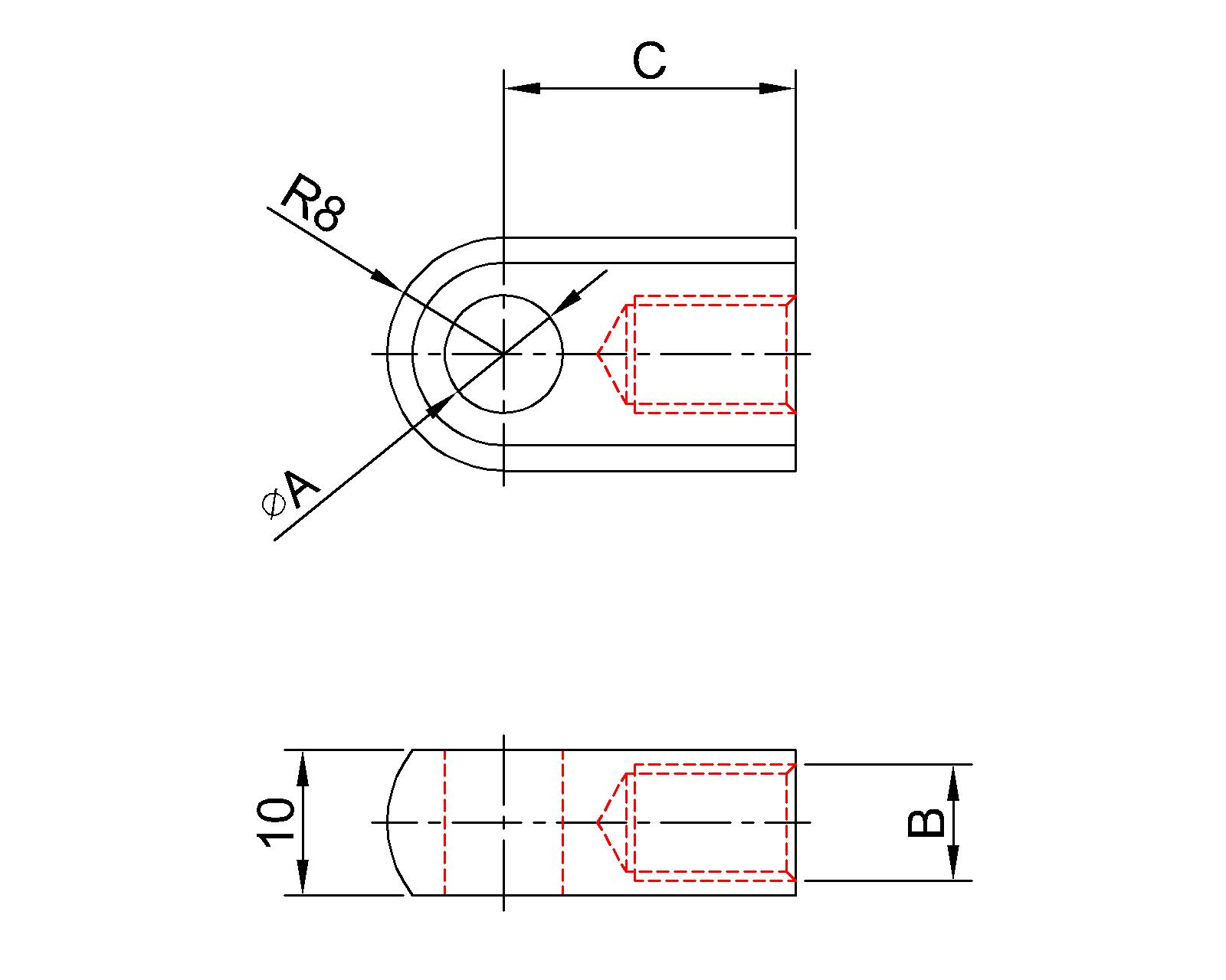
氮氣缸用連接頭
L3系列(孔徑8mm)
L3系列(孔徑8mm)
加入詢價車
立即詢價
商品詳情
單位:mm
型號
孔徑
( ∅A )
螺牙規格
( B )
底部到中心
( C )
材質
表面處理
產品淨重 (g)
L3
8
M8X1.25
20
ALUMINUM
振動研磨
L325M6
M6X1.0
25
L327M6
27.5
L325M8
M8X1.25
25
L327M8
27.5
L330M8
30
相關產品
More
M19M8系列(孔徑13mm)
More
A15S系列
More
M9 系列(孔徑10mm)
More
A7
More
A6600
More
B6 (孔徑10mm)
More
B10 (孔徑10mm)
More
B10-18(孔徑10mm)
More
B1018E-BLACK(孔徑10mm)底部到中心19.5mm
More
B218/15Deg.(孔徑10mm)
More
B10-25M8-Gray(孔徑10mm)
More
C13系列(孔徑8mm)
More
C18系列(孔徑10mm)
More
C19 系列(孔徑13mm)
More
C24系列(孔徑16mm)
More
C9 系列(孔徑10mm)
More
C18系列15度斜角(孔徑10mm)
More
C920M6 20度斜角
More
C1系列(孔徑10mm)
More
C920-T15(孔徑10mm)
More
C8960(孔徑10mm)
More
C8961(孔徑13mm)
More
C9/C19 Pin
More
D1/D2/D3/D3A/D4/D5/D9系列
More
D6/D6A 系列
More
D7/D7A/D7B 系列
More
D8A
More
D8/D10系列
More
D13P
More
D181 系列
More
L1A (孔徑4mm)
More
L1
More
L2
More
L4
More
L5
More
L8S
More
NL01/NL05
More
NL06/NL07
More
A40M14
More
SS1
More
SS2 (適用10mm球頭)
More
SS3
More
T8/T10
More
U型 系列
More
U型 鐵夾片
More
U型 組合系列
More
魚眼接頭 PILLOBALL Rod Ends
More
LES-8050
More
SW-LS031
More
F1