0
中文
│
English
首頁
公司簡介
關於我們
公司影片
產品介紹
STABILUS自由型氮氣缸
自由型-碳鋼氮氣缸
06X15 碳鋼系列 (50N~400N)
08X18 碳鋼系列 (100N~700N)
10X22 碳鋼系列 (100N~1150N)
14X28 碳鋼系列 (300N~2500N)
20X40 碳鋼系列 (600N~5000N)
自由型-白鐵氮氣缸
06X15 白鐵系列 (50N~300N)
08X18 白鐵系列 (100N~650N)
10X22 白鐵系列 (100N~1000N)
14X28 白鐵系列 (300N~2500N)
自由型-動態阻尼氮氣缸
06X15 動態阻尼-DD1 (50N~300N)
08X19 動態阻尼-DD2 (100N~600N)
10X22 動態阻尼-DD3 (100N~850N)
自由型-安全套管氮氣缸
08X18 安全套管 (100N~650N)
10X22 安全套管 (100N~1150N)
自由型-白鐵安全套管氮氣缸
08X18 白鐵安全套管 (100N~650N)
10X22白鐵安全套管 (100N~1200N)
自由型-壓縮鎖定氮氣缸
08X22 壓縮鎖定 (100N~400N)
STABILUS定位型氮氣缸
定位型-氮氣缸
10X28 定位型 (150N~350N)
定位型-桌用氮氣缸-BOLT
10X28 定位型-BOLT氮氣缸 (200N~1200N)
定位型-氮氣缸-BOL-OBT
08X22定位型 (100N~400N)
定位型氮氣缸專用配件
STABILUS拉力型氮氣缸
06X19 拉力氮氣缸 (50N~350N)
10X28 拉力氮氣缸 (150N~1200N)
STABILUS油壓型阻尼棒
油壓阻尼棒-壓縮方向阻尼
06X15 壓縮阻尼-HD15C
08X18 壓縮阻尼-HD18C
10X24 壓縮阻尼-HD24C
油壓阻尼棒-拉伸方向阻尼
06X15 拉伸阻尼-HD15E
08X18 拉伸阻尼-HD18E
10X24 拉伸阻尼-HD24E
STABILUS辦公座椅氣壓棒
STABILUS傢俱用氮氣缸
STABILUS車輛用氮氣缸
STABILUSE工業電動撐桿
氮氣缸沖壓配件
氮氣缸用連接頭
氮氣缸專用螺栓
氮氣缸附屬零件
新品及專利發表
產品相關資訊
氮氣缸應用範圍
如何選用氮氣缸?
氮氣缸應力圖
氮氣缸壓力計算方式
氮氣缸安裝注意事事項
產品安裝實例
產品檢驗報告 / 技術資料
採購招標
新聞
首 頁
氮氣缸用連接頭
A7
A7
加入詢價車
立即詢價
商品詳情
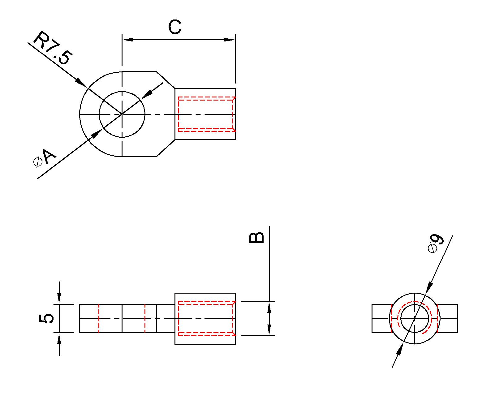
單位:mm
型號
孔徑
( ∅A )
螺牙規格
( B )
底部到中心
( C )
材質
表面處理
產品淨重 (g)
A7 BLACK ZINC
8
M6X1.0
20
12L14
鍍黑鋅
A706 BLACK ZINC
6
1215
鍍黑鋅
相關產品
More
M19M8系列(孔徑13mm)
More
A15S系列
More
M9 系列(孔徑10mm)
More
A6600
More
B6 (孔徑10mm)
More
B10 (孔徑10mm)
More
B10-18(孔徑10mm)
More
B1018E-BLACK(孔徑10mm)底部到中心19.5mm
More
B218/15Deg.(孔徑10mm)
More
B10-25M8-Gray(孔徑10mm)
More
C13系列(孔徑8mm)
More
C18系列(孔徑10mm)
More
C19 系列(孔徑13mm)
More
C24系列(孔徑16mm)
More
C9 系列(孔徑10mm)
More
C18系列15度斜角(孔徑10mm)
More
C920M6 20度斜角
More
C1系列(孔徑10mm)
More
C920-T15(孔徑10mm)
More
C8960(孔徑10mm)
More
C8961(孔徑13mm)
More
C9/C19 Pin
More
D1/D2/D3/D3A/D4/D5/D9系列
More
D6/D6A 系列
More
D7/D7A/D7B 系列
More
D8A
More
D8/D10系列
More
D13P
More
D181 系列
More
L1A (孔徑4mm)
More
L1
More
L2
More
L3系列(孔徑8mm)
More
L4
More
L5
More
L8S
More
NL01/NL05
More
NL06/NL07
More
A40M14
More
SS1
More
SS2 (適用10mm球頭)
More
SS3
More
T8/T10
More
U型 系列
More
U型 鐵夾片
More
U型 組合系列
More
魚眼接頭 PILLOBALL Rod Ends
More
LES-8050
More
SW-LS031
More
F1